Modifying particle size – eliminating risks
The reason why STERITALC outperforms other talc products on safety can be found in additional, sophisticated production steps which actively eliminate small, high-risk particles and pyrogens.
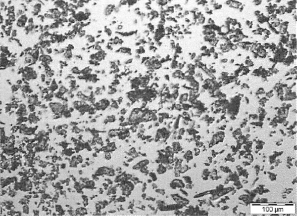
Microscopy images show STERITALC to have comparatively large particles and a homogeneous particle size distribution. Small, high-risk particles – a possible cause of ARDS – have been eliminated.
Parameter | Unit | STERITALC | Pharmaceutical talc |
Specific surface area | m2/kg | 119.7 | 142.0 |
Particles below 15 µm | % Vol | 16.78 | 29.72 |
Particles below 10 µm | % Vol | 8.87 | 18.53 |
Even with similar nominal particle size, tests by an independent testing laboratory clearly show the difference: Pharmaceutical USP talc contains significantly more small, high-risk particles.
Preventing systemic spread – preventing ARDS
The systemic dissemination of talc following talc pleurodesis may be a cause of ARDS (Acute Respiratory Distress Syndrome). Published studies suggest that there is a correlation with talc particle size: smaller talc particles were associated with a higher systemic spread than larger particles.1
Particle size is also linked to severity of inflammatory response. Talc with an average particle size below 15µm has been shown to induce more severe systemic inflammation and more inflammation in the lungs.2
In order to prevent systemic spread, small, highrisk particles (≤ 10 μm) are actively eliminated during the STERITALC production process. This ensures a high proportion of larger particles and a mean diameter of 28μm. STERITALC undergoes routine granulometry monitoring as part of its production process, safeguardiang the product’s consistently high quality, which has been proven in numerous clinical studies.
Both animal studies3 as well as clinical studies2 have confirmed a lower systemic dissemination. A multicenter study has shown that STERITALC with its calibrated particle size can be safely used for the pleurodesis of malignant pleural effusions. Not one case of ARDS occured in more than 550 patients. The authors recommended that no other form of talc be used.4
Another cause of ARDS may be sepsis from non-sterile talc or talc containing endotoxins.5 This can also be ruled out when STERITALC is used, since STERITALC is endotoxin-free and sterile.
1 Ferrer, CHEST 2002; 122: 1018-1027
2 Maskell, Am .J. Respir. Crit. Care Med. 2004; 170: 377-382
3 Fraticelli, CHEST 2002; 122:1737-1741
4 Janssen, Lancet 2007; 369: 1535-1539
5 Antony, Eur. Respir. J. 2001; 18: 402-419
Ordering Information
| REF | Description | Quantity of medical talc | items per box |
| 16903 | STERITALC F2 Vial, 50 ml | 2 g | 4 |
| 16913 | STERITALC F4 Vial, 50 ml | 4 g | 4 |
| 16863 | STERITALC PF3 (Poudrage Kit) | 3 g | 2 kits |
| 16983 | Supplement for 16863: Vial, 10 ml | 3 g | 4 |
| STERILE | |||







